納期目安:
07月28日頃のお届け予定です。
決済方法が、クレジット、代金引換の場合に限ります。その他の決済方法の場合はこちらをご確認ください。
※土・日・祝日の注文の場合や在庫状況によって、商品のお届けにお時間をいただく場合がございます。
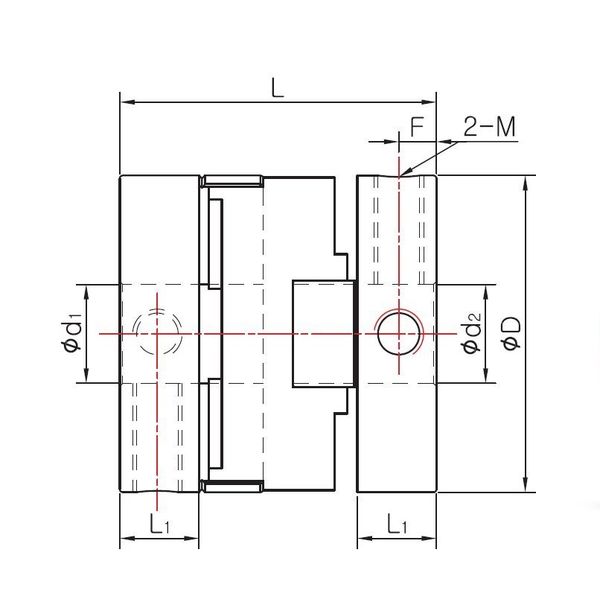
| 商品の特徴 | ●SOHシリーズは中央部のスペーサーを通じて動力を伝達するカップリング、特に偏芯/偏角に対する補正効果に優れています。●構造が単純で組立やメンテナンスがしやすいのが特徴です●スペーサーがスリップする構造であるため、偏芯があっても反力が小さく軸やシステムにかかる負荷を軽減します●締結ボルト(締結トルク(N・m)):15●ミスアライメント許容値(偏角(°)):1.5●ミスアライメント許容値(偏芯(mm)):3.5●ミスアライメント許容値(エンドプレー(mm)):0.2 | ||
|---|---|---|---|
| メーカー名 | ソンイル機工 | ねじり剛性(N・m/rad) | 5000 |
| 寸法(±0.3mm)/D | 73 | 寸法(±0.3mm)/F | 12.2 |
| 寸法(±0.3mm)/L | 75.5 | 寸法(±0.3mm)/L1 | 25 |
| 常用トルク(N・m) | 60 | 慣性モーメント(kg・m2) | 4.5×10^-4 |
| 最大トルク(N・m) | 120 | 最大回転数(min^-1) | 4500 |
| 締結ボルト(Size) | M8 | 質量(g) | 567 |
| 備考 | 【返品について】お客様のご都合による返品はお受けできません。 | ||


オススメ度 4.7点
現在、7764件のレビューが投稿されています。